



X43W,X13W二通旋塞閥
X43W、X13W二通旋塞閥是關閉件或柱塞形的旋轉閥,通過旋轉90度使閥塞上的通道口與閥體上的通道口相通或分開,實現開啟或關閉的一種閥門。旋塞閥廣泛地應用于油田開采、輸送和精練設備中,同時也廣泛用于石油化工、化工、煤氣、天然氣、液化石油氣、暖通行業以及一般工業中。
| 產品名稱: | 二通旋塞閥 | 產品型號: | X43W、X13W |
| 公稱通徑: | DN15~DN300 | 結構形式: | 圓柱形或圓錐形 |
| 公稱壓力: | 1.0MPa | 連接方式: | 法蘭、內螺紋 |
| 適用溫度: | -29ºC~+200ºC | 驅動方式: | 手動 |
| 閥體材質: | 鑄鐵、鑄鋼、不銹鋼、黃銅 | 制造標準: | 國標GB、德國DIN、美國API、ANSI |
| 適用介質: | 水、油、蒸汽等 | 生產廠家: | 上海凱利科閥門有限公司 |
| 型號 |
公稱壓力 PN(MPa) |
試驗壓力PS(MPa) | 適用介質 | 工作溫度(℃) | |
| 殼體 | 密封 | ||||
| X43W-1.0 | 1.0 | 1.5 | 1.1 | 水、蒸汽、油品 | ≤100 |
| X13W-1.0 | 1.0 | 1.5 | 1.1 | 水、蒸汽、油品 | ≤100 |
| 零件名稱 | 閥體 | 塞子 | 填料壓蓋 | 填料 |
| X43W-1.0 | 銅、鑄鐵、鑄鋼、不銹鋼 | 銅、鑄鐵、鑄鋼、不銹鋼 | 銅、鑄鐵、鑄鋼、不銹鋼 |
油浸石棉盤根 柔性石墨 |
| X13W-1.0 | 銅、鑄鐵、鑄鋼、不銹鋼 | 銅、鑄鐵、鑄鋼、不銹鋼 | 銅、鑄鐵、鑄鋼、不銹鋼 |
| 型號 |
公稱通徑 DN(mm) |
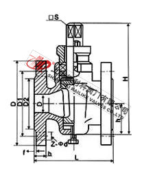
尺寸(mm) | |||||||||
| L | D |
D1 |
D2 | f | b | z-φd | □s | h | H | ||
| X43W-1.0 | 15 | 80 | 95 | 65 | 45 | 2 | 14 | 4-φ14 | 14 | 26 | 99 |
| 20 | 90 | 105 | 75 | 55 | 2 | 16 | 4-φ14 | 14 | 34 | 124 | |
| 25 | 110 | 115 | 85 | 65 | 2 | 16 | 4-φ14 | 17 | 38 | 133 | |
| 32 | 115 | 135 | 100 | 78 | 2 | 18 | 4-φ18 | 18 | 45 | 152 | |
| 40 | 150 | 145 | 110 | 85 | 3 | 18 | 4-φ18 | 26 | 55 | 212 | |
| 50 | 170 | 160 | 125 | 100 | 3 | 20 | 4-φ18 | 28 | 74 | 260 | |
| 65 | 220 | 180 | 145 | 120 | 3 | 20 | 4-φ18 | 32 | 82 | 295 | |
| 80 | 250 | 195 | 160 | 135 | 3 | 22 | 4-φ18 | 40 | 95 | 327 | |
| 100 | 300 | 215 | 180 | 155 | 3 | 26 | 8-φ18 | 45 | 135 | 425 | |
| 125 | 350 | 245 | 210 | 185 | 3 | 24 | 8-φ18 | 54 | 154 | 482 | |
| 150 | 400 | 280 | 240 | 210 | 3 | 24 | 8-φ23 | 62 | 172 | 512 | |
| 200 | 450 | 335 | 295 | 265 | 3 | 24 | 8-φ23 | 75 | 195 | 605 | |
| 250 | 530 | 390 | 350 | 320 | 3 | 28 | 12-φ23 | 85 | 230 | 660 | |
| 300 | 580 | 440 | 400 | 368 | 4 | 30 | 12-φ23 | 100 | 263 | 760 | |
| 型號 |
公稱通徑 DN(mm) |
管螺紋 G |
尺寸(mm) | ||||
| L | □S | □S1 | h2 | H | |||
| X13W-1.0 | 15 | 1/2 | 85 | 30 | 12 | 26 | 99 |
| 20 | 3/4 | 90 | 36 | 16 | 34 | 124 | |
| 25 | 1 | 110 | 46 | 18 | 38 | 133 | |
| 32 | 11/4 | 130 | 55 | 18 | 45 | 152 | |
| 40 | 11/2 | 150 | 60 | 26 | 55 | 212 | |
| 50 | 2 | 170 | 75 | 28 | 74 | 260 | |
| 65 | 21/2 | 220 | 90 | 32 | 82 | 295 | |
| 80 | 3 | 250 | 105 | 36 | 125 | 327 | |
| 100 | 4 | 300 | 140 | 46 | 135 | 425 | |
聲明:【X43W,X13W二通旋塞閥】規格型號、結構尺寸由上海凱利科閥門有限公司提供,如何選擇適用的X43W,X13W二通旋塞閥產品,使之在工藝控制中安全可靠、經濟適用,可致電我司銷售部門及技術部門,我們將在最短的時間內為您解答! |